1. Accueil
  2. »
  3. Générateur de vapeur pure (PSG)

Générateur de vapeur pure

Le générateur de vapeur pure (PSG) MOLECULAR est un système à haut rendement conçu pour produire de la vapeur pure de qualité pharmaceutique et de l'eau pour injection (WFI). Grâce à sa conception économe en énergie et à sa technologie brevetée, il produit une vapeur d'une sécheresse et d'une propreté exceptionnelles, parfaite pour les processus de stérilisation critiques.

Principales caractéristiques de notre générateur de vapeur pure

Taux élevé de récupération de la vapeur

Le système affiche un taux de récupération de la vapeur de plus de 90%, ce qui permet de maximiser l'efficacité énergétique et de réduire considérablement les coûts d'exploitation.

Conformité à la norme EN285

Notre générateur de vapeur pure est conçu pour répondre aux normes de qualité rigoureuses de la norme EN285, ce qui garantit que la vapeur est adaptée à la stérilisation et aux applications SIP (stérilisation en place).

Évaporateur à plaques à double tube

L'évaporateur est doté d'une structure à double plaque tubulaire et de procédés de soudage avancés afin de minimiser le risque de fuite interne et de contamination du produit, garantissant ainsi la pureté de la vapeur.

Unité de dégazage de l'oxygène

Une unité de dégazage spécialisée est intégrée au système pour éliminer efficacement les gaz non condensables comme l'oxygène de l'eau, améliorant ainsi la qualité de la vapeur et l'efficacité de la stérilisation.

Avantages de notre générateur de vapeur pure

  • Sécheresse et propreté supérieures : Notre conception de séparation spéciale brevetée améliore considérablement la propreté et la sécheresse de la vapeur, qui sont cruciales pour une stérilisation efficace et pour éviter d'endommager l'équipement.

  • Des économies d'énergie exceptionnelles : En optimisant le processus de production de vapeur et en obtenant un taux de récupération élevé, le système permet de réaliser des économies d'énergie remarquables, ce qui contribue à réduire le coût total de possession.

  • Conception robuste et fiable : L'utilisation de matériaux de haute qualité et d'une technologie de soudage robuste garantit la longévité et la fiabilité de l'appareil. générateur de vapeur pure, réduisant ainsi les besoins de maintenance et garantissant des performances constantes.

  • Fonctionnalité polyvalente : Le système peut également être configuré pour produire de l'eau pour injection (WFI), ce qui constitue une solution à double usage pour les fabricants de produits pharmaceutiques.

Modèle de produit-PSG Systems

Non.ModèleCapacité
1MOLPSG-50kg50kg/h
2MOLPSG-100 kg100kg/h
3MOLPSG-200 kg200kg/h
4MOLPSG-250kg250kg/h
5MOLPSG-500 kg500kg/h
………….……
6MOLPSG-2000kg2000kg/h

Applications de notre générateur de vapeur pure

La vapeur pure de haute qualité produite par notre système est indispensable pour les environnements de fabrication aseptiques et stériles.

Stérilisation en place (SIP)

L'utilisation principale est la stérilisation des équipements de traitement, des fermenteurs, des bioréacteurs, des réservoirs de stockage et des pipelines.

humidification des zones stériles

Stérilisation par autoclave

Fournir une source de vapeur fiable et de haute qualité pour les autoclaves utilisés dans les laboratoires et la production.

Stérilisation en autoclave

Humidification des zones stériles

Utilisé pour l'humidification contrôlée des salles blanches et des zones stériles afin de maintenir les conditions environnementales requises.

stérilisation en place (sip)

Principe de fonctionnement de la boucle de stockage et de distribution WFI

Principe de fonctionnement de la boucle de stockage et de distribution WFI
Principe de fonctionnement de la machine à eau distillée à effets multiples

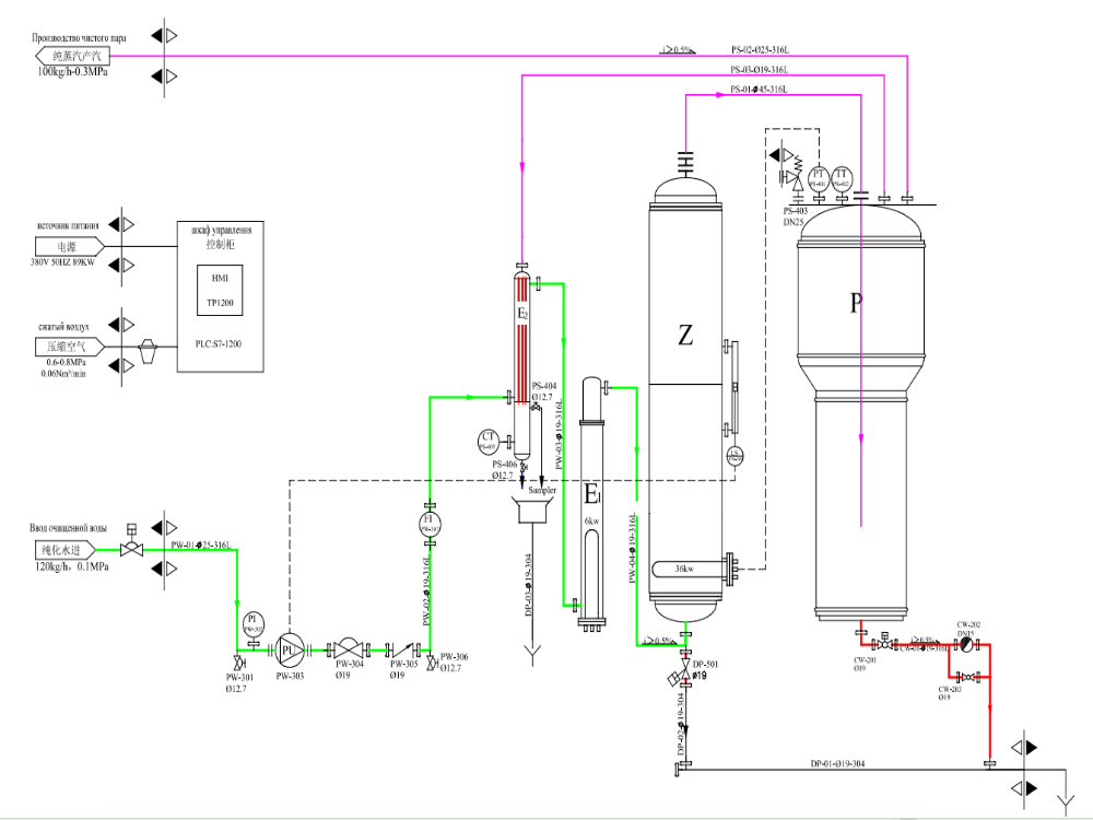
Un générateur de vapeur pure produit de la vapeur stérile et apyrogène à partir d'eau purifiée. Le processus repose sur une méthode de distillation sophistiquée.

Tout d'abord, l'eau purifiée est introduite dans un évaporateur et chauffée par une source externe, généralement de la vapeur d'usine, dans un échangeur de chaleur à double tube. Cette conception est essentielle pour éviter toute contamination croisée.

Lorsque l'eau bout, la vapeur qui en résulte s'élève. Elle passe ensuite par une étape de séparation centrifuge ou par gravité qui élimine les gouttelettes d'eau entraînées et les impuretés telles que les sels ou les pyrogènes.

Le produit final est de la vapeur pure. Lorsque cette vapeur se condense, elle répond aux normes de qualité strictes de l'eau pour injection (WFI). Cette vapeur pure est essentielle pour les applications critiques telles que la stérilisation en place (SIP) dans la fabrication de produits pharmaceutiques et biotechnologiques.

Questions fréquemment posées

 Un générateur de vapeur pure utilise de l'eau pré-purifiée et des matériaux sanitaires pour produire une vapeur exempte d'additifs et d'impuretés. Une chaudière conventionnelle utilise l'eau du robinet et sa vapeur n'est pas suffisamment propre pour les applications pharmaceutiques ou alimentaires.

Notre générateur de vapeur pure est conçu pour répondre à la norme EN285 relative à la stérilisation à la vapeur, ce qui garantit que la vapeur présente la pureté et la siccité requises pour les applications critiques.

Le taux de récupération élevé de plus de 90% est obtenu grâce à un processus de transfert de chaleur très efficace et à une conception optimisée du système qui minimise les pertes de chaleur, ce qui permet de réaliser d'importantes économies d'énergie.

Oui, notre système est souvent conçu pour avoir une double fonction, servant à la fois d'outil d'information et de communication. générateur de vapeur pure et un distillateur pour produire de l'eau pour injection (WFI) de haute pureté, offrant ainsi une solution polyvalente.

Notre générateur est doté d'une conception spéciale de séparation et de dégazage qui élimine efficacement les gaz non condensables et les gouttelettes d'humidité, ce qui garantit que la vapeur produite est sèche et de la plus haute qualité pour une stérilisation efficace.

Articles connexes

What is Bacteriostatic Water? Everything You Need to Know (2026 Updated Guide)

What is Bacteriostatic Water? Everything You Need to Know (2026 Updated Guide)

1. What is Bacteriostatic Water? Bacteriostatic Water for Injection is a sterile, non-pyrogenic preparation of water for injection containing 0.9% (9 mg/mL) of benzyl alcohol as a bacteriostatic preservative. Unlike standard sterile water, which is intended for single use, the addition of benzyl alcohol allows this solution to be used multiple times by inhibiting the […]

Top 13 Water Treatment Companies Globally

Top 13 Water Treatment Companies Globally

In modern industrial manufacturing, infrastructure development, and resource recovery, water treatment systems act as the “lungs” of a factory. Whether you require ultrapure water for semiconductor wafer cleaning, zero liquid discharge (ZLD) systems to meet strict environmental compliance, or containerized water filtration units for overseas projects, choosing the right supplier is a business-critical decision. This […]

NF vs RO Membranes : 4 différences fondamentales dans la taille des pores, la pression et la séparation des ions

Membranes NF et RO : 4 différences fondamentales dans la taille des pores, la pression et la séparation des ions

I. Concepts de base : Que sont l'osmose inverse (OI) et la nanofiltration (NF) ? Dans le domaine de la séparation membranaire sous pression, l'osmose inverse (OI) et la nanofiltration (NF) sont toutes deux des technologies essentielles de filtration tangentielle. Bien qu'elles partagent des configurations d'éléments et des boîtiers de système similaires, leurs couches actives réticulées présentent des structures microscopiques et des mécanismes de séparation distincts. Osmose inverse (OI) Introduction L'osmose inverse représente [...]

Prenez contact avec nous

Ne laissez pas les problèmes de qualité de l'eau vous entraver. Le générateur d'eau purifiée MoerWater vous aidera à résoudre tous vos problèmes de qualité de l'eau, à améliorer votre efficacité opérationnelle et à garantir que vos produits ou résultats expérimentaux sont au meilleur niveau.

Remplissez les informations à droite pour obtenir le catalogue.

*Notre équipe répondra à vos questions dans les 24 heures.

*Vos informations resteront strictement confidentielles.

 

Obtenir un devis

*Notre équipe répondra à vos questions dans les 12 heures.

*Vos informations resteront strictement confidentielles.