- Accueil
- »
- Bioréacteur à membrane
Bioréacteur à membrane (MBR)
Un bioréacteur à membrane (BRM) est un système avancé de traitement des eaux usées qui intègre la dégradation biologique traditionnelle à la filtration membranaire. En remplaçant le clarificateur secondaire des procédés conventionnels à boues activées par une unité de microfiltration (MF) ou d'ultrafiltration (UF) à membrane, le MBR permet de réaliser simultanément un traitement biologique et une séparation solide-liquide.
Ce processus innovant garantit une qualité supérieure des effluents, une stabilité opérationnelle et une conception compacte, ce qui en fait l'une des solutions les plus efficaces pour le traitement moderne des eaux usées.
Types de systèmes MBR
Flux latéral (externe) MBR
Les modules membranaires sont placés à l'extérieur du bioréacteur.
La liqueur mixte est pompée sous pression à travers les membranes.
Avantages : Nettoyage/remplacement facile de la membrane, flux élevé, forte résistance aux chocs.
Inconvénients : Consommation d'énergie plus élevée, empreinte plus importante, système plus complexe.
RBM immergé (intégré)
Les membranes sont immergées directement dans le bioréacteur ou le réservoir à membrane.
Des pompes aspirantes aspirent le perméat à travers les membranes.
Avantages : Faible consommation d'énergie, conception compacte, haute intégration, largement utilisée aujourd'hui.
Inconvénients : Le nettoyage est plus complexe, le flux est plus faible par rapport au side-stream.
Formes de la membrane : Membranes à fibres creuses et membranes à feuilles plates - chacune a une résistance à l'encrassement, des méthodes de nettoyage et des performances de flux différentes.
Avantages de la technologie MBR
Excellente qualité des effluents : La taille des pores de 0,01 à 0,4 μm élimine efficacement les solides en suspension, les bactéries, les virus et les agents pathogènes. Turbidité <0,1 NTU, répondant aux normes strictes de réutilisation.
Encombrement réduit : Elimine les clarificateurs secondaires et les filtres à sable ; la concentration plus élevée des boues augmente l'efficacité, réduisant l'utilisation des terres de 30-50%.
Processus simplifié et haut degré d'automatisation : Conception modulaire, facile à installer et à étendre, entièrement automatisée avec une charge de travail réduite pour l'opérateur.
Faible production de boues : Le temps de rétention des boues (SRT) élevé réduit l'excès de boues de 20 à 30% par rapport aux méthodes conventionnelles.
Résistance élevée aux chocs : Une communauté microbienne dense s'adapte aux variations de l'influent, assurant un fonctionnement stable.
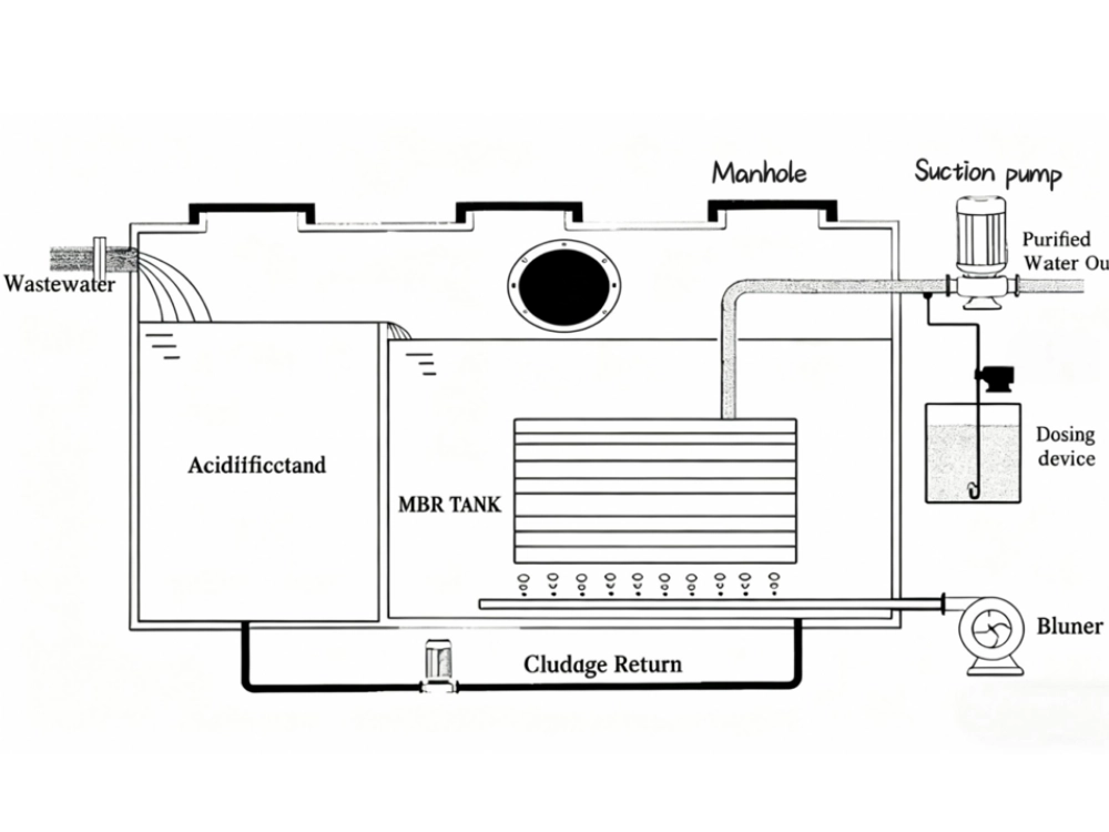
Comment fonctionne le MBR ?
Dégradation biologique : Les eaux usées entrent dans le bioréacteur où les micro-organismes dégradent la DCO, la DBO et l'ammoniac.
Séparation par membrane : La liqueur mélangée passe à travers des membranes immergées sous l'effet de l'aspiration.
Production d'eau propre : Les molécules d'eau et les petits solutés passent ; les solides en suspension, les bactéries et les agents pathogènes sont retenus.
Aération : Fournit de l'oxygène aux microbes et décape les surfaces des membranes pour réduire l'encrassement.
Gestion des boues : Les boues concentrées sont recyclées pour maintenir la biomasse ; les boues excédentaires sont périodiquement évacuées.
Applications du MBR
Eaux usées municipales
Modernisation ou agrandissement des installations pour répondre aux normes de rejet de la classe A ou à des normes plus strictes.

Eaux usées industrielles
Traitement d'effluents complexes provenant des industries alimentaire, pharmaceutique, chimique, textile et des lixiviats de décharge.

Réutilisation de l'eau
Production d'une eau de haute qualité pour l'aménagement paysager, l'irrigation, les tours de refroidissement et les chasses d'eau.

Comment choisir le bon système MBR ?
Objectifs de traitement et normes d'effluents (par exemple, DCO, DBO, TN, TP, NH₃-N).
Qualité et débit des effluents (débit moyen et de pointe, charges polluantes).
Conditions du site (disponibilité des terrains, configuration des réservoirs).
Type de membrane (fibre creuse ou feuille plate).
Coûts énergétiques et d'exploitation (aération, aspiration, produits chimiques de nettoyage, cycle de remplacement des membranes).
Expertise des fournisseurs (projets éprouvés, assistance technique, service après-vente).
Budget et coût du cycle de vie (CAPEX initial vs. OPEX à long terme).
Questions fréquemment posées
A1 : Le MBR remplace le décanteur secondaire par une unité membranaire, ce qui permet d'obtenir une meilleure qualité d'effluent, une plus grande stabilité et un encombrement plus faible.
A2 : La fréquence de nettoyage dépend du taux d'encrassement, de la qualité de l'influent et des conditions d'exploitation. La durée de vie des membranes est généralement de 5 à 8 ans.
A3 : Oui. La technologie MBR est efficace pour les eaux usées très résistantes et difficiles à traiter, notamment dans les industries alimentaires, pharmaceutiques et textiles.
A4 : Turbidité <0,1 NTU, solides en suspension proches de 0, réductions significatives de la DCO, de la DBO, de l'ammoniac et des agents pathogènes, souvent adaptés à la réutilisation.
A5 : Oui. Sa conception compacte et son automatisation en font un outil idéal pour les communautés résidentielles, les stations balnéaires et les institutions qui ne disposent pas d'un accès au réseau d'égouts municipal.
Prenez contact avec nous
Ne laissez pas les problèmes de qualité de l'eau vous entraver. Le générateur d'eau purifiée MoerWater vous aidera à résoudre tous vos problèmes de qualité de l'eau, à améliorer votre efficacité opérationnelle et à garantir que vos produits ou résultats expérimentaux sont au meilleur niveau.
*Notre équipe répondra à vos questions dans les 24 heures.
*Vos informations resteront strictement confidentielles.



