- Accueil
- »
- Système d'alimentation en eau d'urgence RO
Système d'alimentation en eau d'urgence RO
Lorsqu'une catastrophe survient et que les infrastructures s'effondrent, l'accès à une eau potable propre et sûre est la priorité la plus importante. Les sources d'eau contaminées peuvent interrompre les opérations de secours et entraîner des maladies généralisées. Nos systèmes d'osmose inverse pour l'eau d'urgence sont conçus pour être la solution définitive, se déployant rapidement pour transformer les sources contaminées en eau pure et vitale pour les communautés, les premiers intervenants et les opérations critiques.
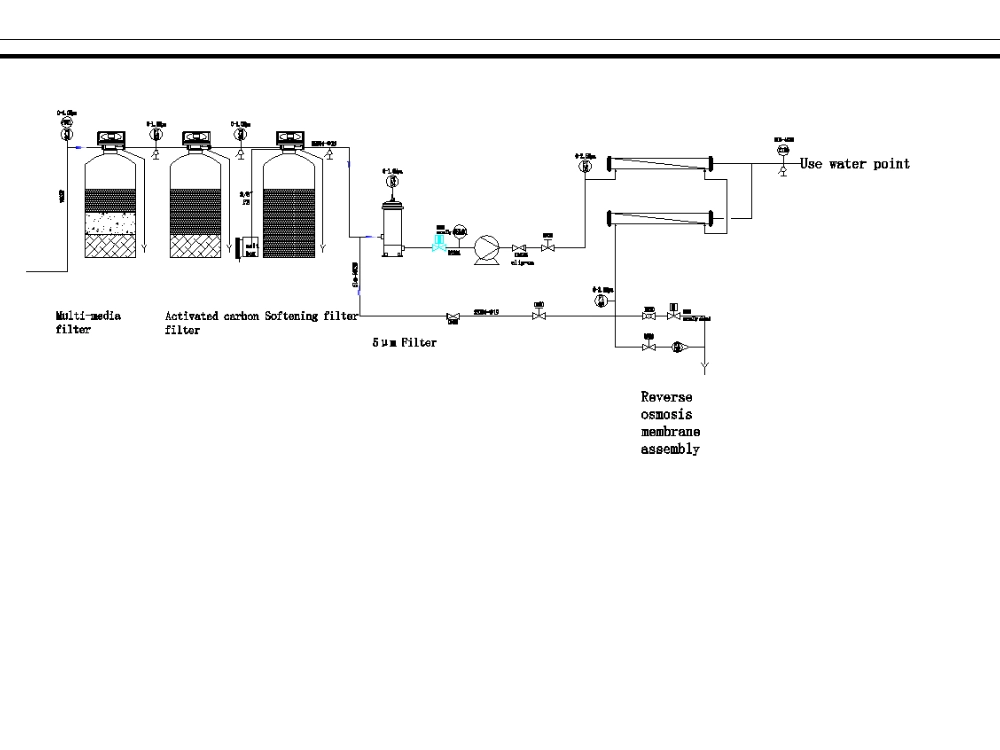
Qu'est-ce qu'un système d'osmose inverse d'urgence ?
Un système d'osmose inverse d'urgence est une unité autonome de purification de l'eau à haut rendement, conçue pour être déployée rapidement dans des situations où l'approvisionnement normal en eau n'est pas disponible ou est compromis. Utilisant le processus avancé de l'osmose inverse, ces systèmes font passer l'eau à travers une membrane semi-perméable sous haute pression.
Ce processus permet d'éliminer efficacement plus de 99% de tous les contaminants, y compris :
Virus et bactéries
Métaux lourds (plomb, arsenic)
Sels et minéraux dissous
Produits chimiques et polluants organiques
Sédiments et turbidité
Le résultat est une eau portable qui respecte ou dépasse les normes de l'Organisation mondiale de la santé (OMS) en matière d'eau potable, produite de manière fiable à partir de pratiquement n'importe quelle source d'eau.
Grande flexibilité et déploiement rapide
Le système est installé dans des conteneurs ou des remorques mobiles conformes aux normes ISO, ce qui permet de le déplacer rapidement sur différents sites et de l'adapter à des scénarios d'approvisionnement en eau d'urgence ou temporaires.
Alimentation électrique autonome, aucune électricité externe n'est nécessaire
L'équipement est équipé de générateurs à essence ou diesel, ce qui élimine la dépendance à l'égard des sources d'énergie externes et garantit un fonctionnement indépendant dans les zones reculées ou en cas de coupure de courant.
Adaptabilité des sources d'eau au sens large
Capable de traiter différentes sources d'eau (eau de puits, eau de rivière, eau de lac, eau de pluie), avec une forte capacité d'adaptation pour répondre aux besoins d'extraction d'eau dans divers environnements.
Purification efficace et garantie de sécurité
Il élimine efficacement les particules solides, la couleur, l'odeur, les résidus et les micro-organismes, fournissant ainsi une eau potable stérile, sans chlore, conforme aux normes et garantissant la sécurité de l'eau.
Nos solutions de purification de l'eau en cas d'urgence
Nous savons que chaque situation d'urgence est unique. C'est pourquoi nous proposons une gamme complète de systèmes d'OI adaptés à différentes échelles de besoins et à différents environnements opérationnels.

Unités portables d'OI d'urgence
Idéales pour les petites équipes, les opérations de terrain éloignées et les missions de reconnaissance initiale. Nos unités portables sont conçues pour une mobilité maximale sans sacrifier les performances.

Systèmes de traitement d'urgence de l'eau montés sur véhicule
Le cheval de bataille de toute opération de secours d'envergure. Entièrement intégrés à un camion ou à une remorque robuste, ces systèmes offrent un équilibre parfait entre mobilité et production d'eau en grande quantité. Arrivés sur place, ils commencent à produire de l'eau propre en quelques minutes.

Stations d'eau d'urgence conteneurisées
Pour des opérations durables à grande échelle. Logées dans un conteneur d'expédition ISO standard, ces usines constituent une installation de traitement de l'eau complète et prête à l'emploi. Elles sont robustes, sûres et capables de traiter les sources d'eau les plus difficiles, y compris l'eau de mer.
Spécifications techniques et guide de sélection
Le choix du bon système est essentiel. Utilisez le tableau ci-dessous pour comparer nos solutions ou contactez nos spécialistes pour une consultation gratuite.
| Spécifications | Système monté sur véhicule | Station conteneurisée |
| Plage de capacité | 250 - 5 000 LPH | 5 000 - 100 000+ LPH |
| Empreinte | Moyen (camion/remorque) | Grand (conteneur de 20 pieds/40 pieds) |
| Source d'énergie | Générateur diesel intégré | |
| Eau d'alimentation | Ruisseaux/fleuves/plaines à riz/étangs/réservoirs/eau de mer | |
| Automatisation | Manuel/semi-automatique/entièrement automatique | |
Applications et performances éprouvées sur le terrain
La confiance se gagne sur le terrain. Nos systèmes d'urgence RO ont été déployés avec succès dans certains des environnements les plus difficiles du monde.
Aide aux victimes du tremblement de terre et du tsunami
Fournir la première source d'eau potable aux populations déplacées et aux secouristes.

Réponse aux ouragans et aux inondations
Traiter les eaux de crue turbides et contaminées pour prévenir les épidémies.

Sécheresse et pénurie d'eau
Approvisionnement des communautés en eau potable à partir de puits saumâtres ou d'eau de mer.

Opérations militaires et à distance
Assurer l'autosuffisance des troupes et du personnel dans des lieux dépourvus d'infrastructures.

Pourquoi choisir Molewater ?
Fiabilité inégalée : Construit avec des composants de qualité militaire pour une durabilité et des performances dans les conditions les plus difficiles.
Performance certifiée : Nos systèmes sont entièrement certifiés (par exemple, ISO, NSF) et répondent aux normes mondiales en matière d'eau potable.
Déploiement rapide à l'échelle mondiale : Nous disposons de la logistique et de l'expertise nécessaires pour livrer et mettre en service des systèmes partout dans le monde, rapidement.
Soutien et formation par des experts : Notre équipe propose une formation complète sur site et une assistance technique 24 heures sur 24, 7 jours sur 7, afin de garantir la réussite de votre opération.
Solutions personnalisables : Nous concevons des systèmes adaptés à vos besoins spécifiques, de la source d'énergie aux exigences de post-traitement.
Questions fréquemment posées
Le coût varie considérablement en fonction de la capacité, des caractéristiques et du type de système (portable, véhicule, conteneur). Veuillez contacter notre équipe pour obtenir un devis détaillé et sans engagement en fonction de vos besoins spécifiques.
Nos systèmes sont conçus pour une utilisation conviviale. Nous fournissons une formation opérationnelle complète à la livraison. L'entretien courant, tel que le remplacement des filtres, est simple et nous proposons des services d'assistance complets.
Avec un prétraitement et un entretien adéquats, les membranes RO durent généralement 2 à 3 ans, même dans des conditions difficiles. Nous fournissons toutes les pièces de rechange nécessaires.
Nous disposons d'un stock d'unités de configuration standard pour une expédition immédiate. Le délai de livraison dépend de la destination et de la logistique, mais nous sommes spécialisés dans les interventions rapides et pouvons souvent installer les systèmes sur place en quelques jours.
Articles connexes
PW vs. WFI
Analyse des coûts de la technologie RO
Prenez contact avec nous
Ne laissez pas les problèmes de qualité de l'eau vous entraver. Le générateur d'eau purifiée MoerWater vous aidera à résoudre tous vos problèmes de qualité de l'eau, à améliorer votre efficacité opérationnelle et à garantir que vos produits ou résultats expérimentaux sont au meilleur niveau.
*Notre équipe répondra à vos questions dans les 24 heures.
*Vos informations resteront strictement confidentielles.



