- Home
- »
- Générateur d'eau purifiée
Fabricant de générateurs d'eau purifiée
Le générateur d'eau purifiée Mole utilise les technologies avancées d'osmose inverse RO et d'électrodéionisation EDI pour fournir de manière stable de l'eau pure de haute qualité afin de répondre aux besoins rigoureux des laboratoires, des applications médicales, pharmaceutiques et industrielles. Une conception intelligente, un entretien facile et des services personnalisés vous permettent d'obtenir une eau d'excellente qualité.
Comment cela fonctionne-t-il ?
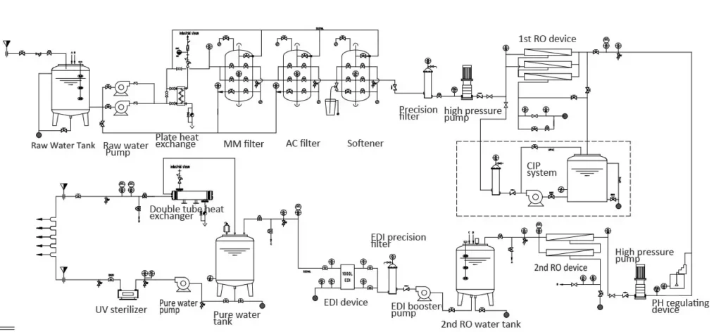
- Prétraitement :
Une première filtration pour éliminer les plus grosses particules et une filtration sur charbon actif pour éliminer le chlore et les impuretés organiques. - Osmose inverse (RO) :
L'étape primaire de purification où l'eau passe à travers une membrane semi-perméable pour éliminer les sels dissous, les molécules organiques et les micro-organismes. - Électrodéionisation (EDI) ou échange d'ions (IX) :
Traitement post-RO pour réduire davantage la teneur en ions et atteindre les spécifications de conductivité requises pour l'eau purifiée. - Stérilisation par UV :
Utilisé pour inactiver les micro-organismes et réduire la charge microbienne.
Paramètres clés du générateur de traitement d'eau purifiée Molewater
Nous proposons une gamme de modèles pour répondre aux différents besoins en matière de production d'eau. Voici les paramètres techniques généraux de quelques modèles représentatifs :
| Qualité de l'eau d'alimentation | Eau potable /Eau de ville /Eau du robinet |
| Capacité en eau | 250 à 10 000LPH |
| Prétraitement | Multimédia, charbon actif, filtre adoucisseur |
| Stérilisation | Stérilisateur à l'ozone / Eau chaude à plus de 85 degrés / Lampe UV |
| Membrane RO | DOW / MOL / Toray |
| Marque EDI | Ionpure Brand / Winviews |
| Pompe à eau | Grundfos ou CNP |
| Surveillance en ligne | Conductivité, température, pression, COT, débit, PH, etc. |
| Marques de compteurs | Marques chinoises, Jumo, etc. |
| Système de contrôle | Automatique avec PLC, Siemens |
| Soudage | Soudage automatique en orbite |
| Matériaux | SS304 / SS316L |
| Autres produits joints | Système de distribution avec boucle |
Molewater :Equipement de production d'eau pure
Applications du générateur d'eau purifiée
Objectif de Moerwater:Construire une marque d'eau pure de premier plan
Purification intelligente en plusieurs étapes : OI + EDI double assurance
Nous utilisons la technologie de pointe de l'osmose inverse (RO), qui élimine efficacement les solides dissous, les ions, les matières organiques, les bactéries et les virus de l'eau, pour atteindre un taux de dessalement allant jusqu'à 99%. En outre, notre système intègre un module d'électrodéionisation (EDI), qui fournit en continu et de manière stable une eau ultrapure avec une résistivité allant jusqu'à 18,2 MΩ-cm sans qu'il soit nécessaire de procéder à une régénération chimique. Cette solution répond aux normes les plus strictes en matière d'eau de laboratoire de type I et d'eau pharmaceutique. Cette combinaison unique RO+EDI garantit non seulement une pureté ultime, mais réduit également de manière significative les coûts d'exploitation et l'impact sur l'environnement.
Conception intelligente de qualité industrielle : Le générateur d'eau purifiée est facile à utiliser et à entretenir.
Le générateur d'eau purifiée Moerwater adopte une conception industrielle intelligente robuste et durable pour assurer un fonctionnement stable dans divers environnements difficiles. Tous les composants principaux sont conçus de manière modulaire et faciles à remplacer, ce qui simplifie grandement le processus d'entretien quotidien et réduit les temps d'arrêt. Nous fournissons un ensemble complet d'équipements et d'accessoires pour les services de remplacement, de sorte que vous n'avez pas à vous soucier des opérations à long terme. Le système de surveillance intelligent affiche les paramètres de qualité de l'eau et l'état de l'équipement en temps réel, et émet automatiquement des rappels pour le remplacement des consommables, ce qui vous permet de gérer facilement et de consacrer plus d'énergie à vos activités principales.
Solution personnalisée pour l'eau de haute pureté
Nous sommes bien conscients que les différentes industries et applications ont des exigences différentes en matière d'eau pure. Moerwater fournit des systèmes de production d'eau purifiée hautement personnalisés. Du débit de production d'eau (de 250 L/H à 20 000 L/H ou même plus) à la qualité de l'effluent, nous pouvons concevoir la meilleure solution en fonction de vos besoins spécifiques. En même temps, notre système intègre une technologie avancée d'économie d'énergie, optimise le taux de récupération de l'eau (jusqu'à 60-70%), réduit efficacement la consommation d'énergie et d'eau, et vous apporte des économies de coûts d'exploitation significatives à long terme.
Certification
FAQ sur le système d'eau purifiée
Les générateurs d'eau purifiée (EP) sont des composants clés des systèmes d'eau pharmaceutique, chargés de produire une eau purifiée de haute qualité répondant aux normes strictes de la pharmacopée (par exemple, USP, EP, JP). Cette eau est essentielle pour une variété d'applications parentérales dans la fabrication pharmaceutique, y compris le lavage, la granulation et la préparation d'ingrédients pharmaceutiques actifs (API) non stériles et de produits finis.
Un générateur d'eau déionisée élimine principalement les ions dissous de l'eau en utilisant la technologie des résines échangeuses d'ions. Lorsque l'eau traverse des colonnes contenant des résines échangeuses de cations et d'anions, les cations (par exemple Na+, Ca2+) présents dans l'eau sont échangés contre des ions H+ provenant de la résine, et les anions (par exemple Cl-, SO42-) sont échangés contre des ions OH-. Les ions H+ et OH- se combinent ensuite pour former de l'eau, ce qui réduit considérablement la conductivité de l'eau et produit de l'eau déionisée de grande pureté. Certains systèmes d'eau DI avancés peuvent également incorporer la technologie EDI (électrodéionisation) pour une production continue et stable.
Pour que votre système de production d'eau pure fonctionne de manière stable et maintienne une qualité d'eau optimale à long terme, il est essentiel de procéder à un entretien régulier. Il s'agit notamment de remplacer régulièrement les membranes RO, les cartouches de résine DI, les lampes UV et les pré-filtres, de nettoyer périodiquement le système pour éviter la formation de biofilms, d'étalonner régulièrement les instruments de contrôle de la qualité de l'eau et d'effectuer les vérifications du système indiquées par l'équipement. Le respect des directives d'entretien du fabricant permet de prolonger efficacement la durée de vie de votre générateur de purification de l'eau.
Oui, nous proposons différents modèles de Équipement industriel pour l'eau pure spécialement conçus pour répondre aux besoins de production à haut débit et en continu. Qu'il s'agisse de systèmes produisant des centaines de litres par heure ou plusieurs tonnes par heure, nous pouvons personnaliser un système de production. Unité de purification de l'eau à grande échelle pour répondre aux exigences de tartre et de qualité de l'eau de vos lignes de production industrielle, de l'eau d'alimentation des chaudières, du nettoyage des composants électroniques ou d'autres applications à forte demande, garantissant ainsi un approvisionnement efficace et stable en eau pure.
Un générateur d'eau ultra pure est un type spécialisé de générateur d'eau purifiée conçu pour produire de l'eau pure de la plus haute qualité (généralement définie comme de l'eau ASTM de type I avec une résistivité de 18,2 MΩ-cm et une teneur en COT et en particules extrêmement faible). Par rapport aux générateurs d'eau pure standard, un générateur d'eau ultra pure incorpore généralement des unités de traitement plus raffinées, telles que des résines de polissage à lit mixte, des lampes UV oxydant le COT et des filtres finaux, afin de garantir une élimination complète des impuretés à l'état de traces, répondant ainsi aux exigences expérimentales et analytiques les plus rigoureuses.
Équipement médical pour l'eau pure doit répondre à des normes plus strictes que l'eau pure de laboratoire afin de satisfaire à des applications médicales rigoureuses telles que le nettoyage d'instruments, la stérilisation et la dialyse. Ce type d'eau Générateur d'eau de purification ne se contente pas d'assurer une purification de base, mais exige souvent une sécurité biologique accrue, telle qu'une élimination microbienne plus poussée (par exemple, via des membranes d'ultrafiltration ou de nanofiltration), et le respect de normes médicales pertinentes telles que l'USP (United States Pharmacopeia) ou l'EP (European Pharmacopoeia). Les matériaux et la construction de l'équipement doivent également répondre à des spécifications de qualité médicale.
Le prix du générateur d'eau purifiée est influencé par plusieurs facteurs, notamment : le débit de production (L/h), le degré de pureté de l'eau (Type I/II/III), les technologies intégrées (RO, DI, UV, EDI, etc.), la marque, le niveau d'intelligence (par exemple, écran tactile, surveillance à distance), l'inclusion ou non d'un système de prétraitement, le service après-vente et les coûts des consommables. En général, les systèmes de purification de l'eau ayant des débits plus élevés, des degrés de pureté plus élevés et des fonctions plus complètes ont un prix plus élevé. Nous vous recommandons de nous faire part de vos besoins spécifiques pour obtenir un devis précis.
Oui, nous fournissons des services complets d'installation et d'après-vente pour garantir le bon fonctionnement de votre système de purification de l'eau. Nos services comprennent : l'installation professionnelle sur site et la mise en service, la formation des opérateurs, l'entretien de routine, la fourniture de consommables et une réponse rapide pour le dépannage et l'assistance technique. Nous nous engageons à fournir à nos clients une solution de purification de l'eau sans souci, vous permettant de vous concentrer sur votre activité principale sans vous soucier de la qualité de l'eau.
Prenez contact avec nous
Ne laissez pas les problèmes de qualité de l'eau vous entraver. Le générateur d'eau purifiée MoerWater vous aidera à résoudre tous vos problèmes de qualité de l'eau, à améliorer votre efficacité opérationnelle et à garantir que vos produits ou résultats expérimentaux sont au meilleur niveau.
*Notre équipe répondra à vos questions dans les 24 heures.
*Vos informations resteront strictement confidentielles.






